RM,POT类
常用来制作通讯类或中小功率高频变压器,本身
的磁屏蔽很好,容易满足EMC特性;
特点:磁芯将线包紧裹其中,变压器漏感小,辐射小,EMI性能好,具有损耗低,效率高,工作频率宽,抗干扰性能强,温控特性好的特点。
应用:广泛应用于开关电源、电视机、显示器、传真机、要求较高的充电器等。


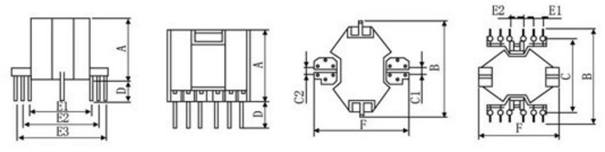
型号 | 针数 | 尺寸(mm) | ||||||||
A | B | C1 | C2 | D+/-0.5 | E1 | E2 | E3 | F | ||
RM-4 | 6 | 7.8 | 13.5 | 1.8 | 3.6 | 4.2 | 7.2 | 10.8 |
| 12.6 |
RM-5 | 6 | 7.2 | 15.5 | 1.8 | 3.6 | 4.4 | 10.8 | 14.4 |
| 16 |
RM-6 | 6 | 13.5 | 18.5 | 1.8 | 3.6 | 4.7 | 14.4 | 18 |
| 20.7 |
RM-6-1 | 8 | 12.8 | 18.5 | 15.2 |
| 4.2 | 3.8 | 5.08 |
| 18.5 |
RM-8 | 12 | 12.1 | 23.5 | 3.6 | 7.2 | 5 | 14.4 | 18 | 21.6 | 24 |
RM-8-1 | 12 | 17.5 | 29.5 | 20.3 |
| 4.4 | 3.8 | 5.08 |
| 23.4 |
RM-10 | 12 | 13.4 | 28.5 | 3.6 | 7.2 | 4 | 18 | 21.6 |
| 28.1 |
RM-10-1 | 12 | 19.6 | 39.4 | 28 |
| 4.5 | 3.8 | 5.12 | 20 | 23.3 |
RM-12 | 12 | 17.7 | 38.5 | 3.6 | 10.8 | 6.3 | 21.5 | 28.7 | 35.9 | 38.5 |
RM-12-1 | 12 | 23.7 | 45.2 | 33 |
| 4.5 | 5.08 | 5.1 |
| 28.4 |
RM-14 | 12 | 29 | 48.4 | 35.6 |
| 4.8 | 5.08 | 7.62 |
| 31.4 |