LGB SERIES ■Features/特性 1, Low cost; 2, Wide range of inductance; 3, High reliability; ■Applications/用途 Televisions, VCR, OA equipment, PC, Other electronic equipment, etc. ■Part numbering system/型号标示法 |
|


■Shapes and dimensions/外形及尺寸 (UNIT:mm)
TYPE | D±1 | Bmax | F±0.5 | d±0.1 | H |
LGB-X/S0406 | 4.5 | 8 | 2.5 | 0.5 |
10min |
LGB-X/S0507 | 5.5 | 9 | 2.5 |
0.6 | |
LGB-X/S0608 | 6.5 | 10 | 3.0 | ||
LGB-X/S0810 | 8.5 | 12 | 5.0 | ||
LGB-X/S0912 | 9.5 | 14 | 5.0 |
0.8 | |
LGB-X/S1012 | 10.5 | 15 | 5.0 | ||
LGB-X/S1415 | 14.5 | 17 | 7.5 |
特殊尺寸,可以开模制作。/ Special sizes, we can mold production.
■LGB SERIES LGB-X(S)0406 TYPE CHARACTTERISTICS
PART NUMBER | L(uH) | Tol. | Qmin | Fr (MHz) | SRF (MHz) | Rdc(Ω) | Idc(mA) |
LGB-S/X0406-1R0M | 1.0 | ±20% | 80 | 7.96 | 200 | 0.10 | 1400 |
LGB-S/X0406-1R2M | 1.2 | 70 | 170 | 0.13 | 1200 | ||
LGB-S/X0406-1R5M | 1.5 | 70 | 140 | 0.15 | 1200 | ||
LGB-S/X0406-1R8M | 1.8 | 70 | 130 | 0.17 | 1100 | ||
LGB-S/X0406-2R2M | 2.2 | 70 | 120 | 0.20 | 1100 | ||
LGB-S/X0406-2R7M | 2.7 | 70 | 110 | 0.22 | 1000 | ||
LGB-S/X0406-3R3M | 3.3 | 70 | 90 | 0.24 | 1000 | ||
LGB-S/X0406-3R9M | 3.9 | 70 | 70 | 0.26 | 1000 | ||
LGB-S/X0406-4R7M | 4.7 | 70 | 55 | 0.28 | 800 | ||
LGB-S/X0406-5R6M | 5.6 | 70 | 40 | 0.30 | 800 | ||
LGB-S/X0406-6R8M | 6.8 | 70 | 35 | 0.35 | 800 | ||
LGB-S/X0406-8R2M | 8.2 | 65 | 30 | 0.35 | 700 | ||
LGB-S/X0406-100K | 10 | ±10% | 65 | 2.52 | 25 | 0.46 | 650 |
LGB-S/X0406-120K | 12 | 65 | 20 | 0.48 | 600 | ||
LGB-S/X0406-150K | 15 | 65 | 15 | 0.55 | 500 | ||
LGB-S/X0406-180K | 18 | 65 | 15 | 0.65 | 500 | ||
LGB-S/X0406-220K | 22 | 60 | 14 | 0.72 | 400 | ||
LGB-S/X0406-270K | 27 | 60 | 13 | 0.78 | 400 | ||
LGB-S/X0406-330K | 33 | 60 | 12 | 0.87 | 400 | ||
LGB-S/X0406-390K | 39 | 60 | 11 | 0.90 | 400 | ||
LGB-S/X0406-470K | 47 | 58 | 10 | 0.98 | 320 | ||
LGB-S/X0406-560K | 56 | 55 | 9.0 | 1.50 | 300 | ||
LGB-S/X0406-680K | 68 | 55 | 8.5 | 1.90 | 300 | ||
LGB-S/X0406-820K | 82 | 53 | 8.0 | 2.50 | 300 | ||
LGB-S/X0406-101K | 100 | ±10% | 50 | 0.796 | 7.0 | 3.00 | 200 |
LGB-S/X0406-121K | 120 | 50 | 6.3 | 3.80 | 200 | ||
LGB-S/X0406-151K | 150 | 50 | 5.7 | 4.50 | 200 | ||
LGB-S/X0406-181K | 180 | 50 | 5.3 | 5.00 | 200 | ||
LGB-S/X0406-221K | 220 | 50 | 5.0 | 5.80 | 200 | ||
LGB-S/X0406-271K | 270 | 50 | 4.5 | 6.50 | 150 | ||
LGB-S/X0406-331K | 330 | 50 | 4.0 | 7.00 | 150 | ||
LGB-S/X0406-391k | 390 | 50 | 3.8 | 7.70 | 150 | ||
LGB-S/X0406-471k | 470 | 50 | 3.5 | 8.00 | 120 | ||
LGB-S/X0406-561k | 560 | 50 | 3.2 | 8.50 | 120 | ||
LGB-S/X0406-681k | 680 | 50 | 3.0 | 9.50 | 120 | ||
LGB-S/X0406-821k | 820 | 50 | 2.8 | 15.0 | 100 | ||
LGB-S/X0406-102K | 1000 |
±10% | 50 | 0.252 | 2.5 | 17.0 | 100 |
LGB-S/X0406-122K | 1200 | 50 | 2.3 | 20.0 | 80 | ||
LGB-S/X0406-152K | 1500 | 50 | 2.1 | 22.0 | 80 | ||
LGB-S/X0406-182K | 1800 | 50 | 1.8 | 25.0 | 70 | ||
LGB-S/X0406-222K | 2200 | 50 | 1.6 | 26.0 | 60 | ||
LGB-S/X0406-272K | 2700 | 45 | 1.36 | 40.0 | 40 | ||
LGB-S/X0406-332K | 3300 | 45 | 1.27 | 50.0 | 30 | ||
LGB-S/X0406-392K | 3900 | 45 | 1.20 | 55.0 | 30 | ||
LGB-S/X0406-472K | 4700 | 45 | 1.06 | 60.0 | 30 | ||
LGB-S/X0406-562K | 5600 | 45 | 1.02 | 65.0 | 30 | ||
LGB-S/X0406-682K | 6800 | 45 | 0.96 | 72.0 | 30 | ||
LGB-S/X0406-822K | 8200 | 45 | 0.93 | 80.0 | 20 |
■LGB SERIES LGB-X(S)0507 TYPE CHARACTTERISTICS
PART NUMBER | L(uH) | TOL | Qmin | Fr( MHz) | SRF(MHz) | Rdc(Ω) | Idc(mA) |
LGB-S/X0507-1R0M | 1.0 | ±20% | 80 | 7.96 | 120 | 0.02 | 3500 |
LGB-S/X0507-1R2M | 1.2 | 70 | 100 | 0.02 | 3100 | ||
LGB-S/X0507-1R5M | 1.5 | 70 | 90 | 0.02 | 3000 | ||
LGB-S/X0507-1R8M | 1.8 | 70 | 70 | 0.02 | 2800 | ||
LGB-S/X0507-2R2M | 2.2 | 70 | 55 | 0.03 | 2500 | ||
LGB-S/X0507-2R7M | 2.7 | 70 | 50 | 0.03 | 2200 | ||
LGB-S/X0507-3R3M | 3.3 | 70 | 50 | 0.04 | 2000 | ||
LGB-S/X0507-3R9M | 3.9 | 70 | 35 | 0.04 | 1900 | ||
LGB-S/X0507-4R7M | 4.7 | 70 | 30 | 0.05 | 1800 | ||
LGB-S/X0507-5R6M | 5.6 | 70 | 30 | 0.05 | 1700 | ||
LGB-S/X0507-RR8M | 6.8 | 70 | 25 | 0.06 | 1300 | ||
LGB-S/X0507-8R2M | 8.2 | 65 | 25 | 0.06 | 1100 | ||
LGB-S/X0507-100K | 10 | ±10% | 65 | 2.52 | 22 | 0.08 | 1000 |
LGB-S/X0507-120K | 12 | 65 | 20 | 0.10 | 950 | ||
LGB-S/X0507-150K | 15 | 65 | 16 | 0.11 | 900 | ||
LGB-S/X0507-180K | 18 | 50 | 14 | 0.11 | 800 | ||
LGB-S/X0507-220K | 22 | 50 | 14 | 0.12 | 600 | ||
LGB-S/X0507-270K | 27 | 50 | 12 | 0.14 | 550 | ||
LGB-S/X0507-330K | 33 | 50 | 10 | 0.16 | 500 | ||
LGB-S/X0507-390K | 39 | 45 | 9.0 | 0.18 | 500 | ||
LGB-S/X0507-470K | 47 | 45 | 9.0 | 0.20 | 450 | ||
LGB-S/X0507-560K | 56 | 35 | 8.0 | 0.22 | 450 | ||
LGB-S/X0507-680K | 68 | 35 | 8.0 | 0.30 | 400 | ||
LGB-S/X0507-820K | 82 | 35 | 7.0 | 0.34 | 400 | ||
LGB-S/X0507-101K | 100 | ±10% | 30 | 0.796 | 6.0 | 0.36 | 350 |
LGB-S/X0507-121K | 120 | 30 | 5.5 | 0.44 | 300 | ||
LGB-S/X0507-151K | 150 | 30 | 4.5 | 0.52 | 300 | ||
LGB-S/X0507-181K | 180 | 30 | 3.5 | 0.65 | 250 | ||
LGB-S/X0507-221K | 220 | 25 | 4.0 | 0.75 | 240 | ||
LGB-S/X0507-271K | 270 | 25 | 3.5 | 1.00 | 200 | ||
LGB-S/X0507-331K | 330 | 25 | 3.0 | 1.3 | 180 | ||
LGB-S/X0507-391k | 390 | 25 | 2.7 | 1.4 | 160 | ||
LGB-S/X0507-471k | 470 | 25 | 2.5 | 1.6 | 160 | ||
LGB-S/X0507-561k | 560 | 25 | 2.4 | 2.0 | 120 | ||
LGB-S/X0507-681k | 680 | 25 | 2.2 | 2.3 | 140 | ||
LGB-S/X0507-821k | 820 | 25 | 2.0 | 2.7 | 130 | ||
LGB-S/X0507-102K | 1000 | ±10% | 50 | 0.252 | 2.2 | 3.1 | 120 |
LGB-S/X0507-122K | 1200 | 50 | 1.5 | 4.6 | 110 | ||
LGB-S/X0507-152K | 1500 | 50 | 1.3 | 5.3 | 100 | ||
LGB-S/X0507-182K | 1800 | 50 | 1.2 | 6.2 | 90 | ||
LGB-S/X0507-222K | 2200 | ±10% | 50 | 0.252 | 1.1 | 6.8 | 80 |
LGB-S/X0507-272K | 2700 | 45 | 1.0 | 10 | 60 | ||
LGB-S/X0507-332K | 3300 | 45 | 0.95 | 12 | 60 | ||
LGB-S/X0507-392K | 3900 | 45 | 0.90 | 13 | 55 | ||
LGB-S/X0507-472K | 4700 | 45 | 0.90 | 15 | 55 | ||
LGB-S/X0507-562K | 5600 | 45 | 0.80 | 22 | 50 | ||
LGB-S/X0507-682K | 6800 | 45 | 0.75 | 25 | 45 | ||
LGB-S/X0507-822K | 8200 | 45 | 0.70 | 28 | 45 |
■LGB SERIES LGB-X(S)0608 TYPE CHARACTTERISTICS
PART NUMBER | L(uH) | TOL | Qmin | Fr( MHz) | SRF(MHz) | Rdc(Ω) | Idc(mA) |
LGB-S/X0608-1R0M | 1.0 | ±20% | 85 | 7.96 | 100 | 0.02 | 4400 |
LGB-S/X0608-1R2M | 1.2 | 85 | 90 | 0.02 | 4000 | ||
LGB-S/X0608- 1R5M | 1.5 | 85 | 80 | 0.03 | 3560 | ||
LGB-S/X0608-1R8M | 1.8 | 80 | 65 | 0.04 | 3500 | ||
LGB-S/X0608-2R2M | 2.2 | 80 | 55 | 0.05 | 3000 | ||
LGB-S/X0608-2R7M | 2.7 | 80 | 50 | 0.06 | 2800 | ||
LGB-S/X0608-3R3M | 3.3 | 75 | 40 | 0.06 | 2500 | ||
LGB-S/X0608-3R9M | 3.9 | 75 | 38 | 0.07 | 2300 | ||
LGB-S/X0608-4R7M | 4.7 | 75 | 36 | 0.07 | 2000 | ||
LGB-S/X0608-5R6M | 5.6 | 70 | 35 | 0.075 | 1800 | ||
LGB-S/X0608-6R8M | 6.8 | 70 | 30 | 0.075 | 1500 | ||
LGB-S/X0608-8R2M | 8.2 | 70 | 25 | 0.08 | 1400 | ||
LGB-S/X0608-100K | 10 | ±10% | 25 | 2.52 | 16 | 0.09 | 1300 |
LGB-S/X0608-120K | 12 | 25 | 15 | 0.10 | 1100 | ||
LGB-S/X0608-150K | 15 | 25 | 13 | 0.11 | 1050 | ||
LGB-S/X0608-180K | 18 | 25 | 12 | 0.12 | 1000 | ||
LGB-S/X0608-220K | 22 | 25 | 11 | 0.12 | 960 | ||
LGB-S/X0608-270K | 27 | 25 | 10 | 0.17 | 920 | ||
LGB-S/X0608-330K | 33 | 25 | 8.8 | 0.19 | 880 | ||
LGB-S/X0608-390K | 39 | 20 | 8.4 | 0.22 | 860 | ||
LGB-S/X0608-470K | 47 | 20 | 8.2 | 0.23 | 830 | ||
LGB-S/X0608-560K | 56 | 20 | 7.9 | 0.29 | 810 | ||
LGB-S/X0608-680K | 68 | 20 | 7.0 | 0.37 | 750 | ||
LGB-S/X0608-820K | 82 | 20 | 6.5 | 0.39 | 740 | ||
LGB-S/X0608-101K | 100 | ±10% | 30 | 0.796 | 5.7 | 0.44 | 710 |
LGB-S/X0608-121K | 120 | 30 | 5.2 | 0.64 | 680 | ||
LGB-S/X0608-151K | 150 | 30 | 4.7 | 0.73 | 600 | ||
LGB-S/X0608-181K | 180 | 35 | 4.2 | 0.82 | 540 | ||
LGB-S/X0608-221K | 220 | 35 | 3.7 | 0.92 | 450 | ||
LGB-S/X0608-271K | 270 | 35 | 3.5 | 1.3 | 420 | ||
LGB-S/X0608-331K | 330 | 35 | 3.2 | 1.5 | 400 | ||
LGB-S/X0608-391K | 390 | 40 | 2.9 | 1.8 | 370 | ||
LGB-S/X0608-471K | 470 | 40 | 2.4 | 2.3 | 340 | ||
LGB-S/X0608-561K | 560 | 40 | 2.2 | 3.0 | 280 | ||
LGB-S/X0608-681K | 680 | 40 | 2.0 | 3.25 | 250 | ||
LGB-S/X0608-821K | 820 | 40 | 1.6 | 4.16 | 230 | ||
LGB-S/X0608-102K | 1000 | 80 | 1.5 | 4.55 | 210 | ||
LGB-S/X0608-122K | 1200 | 80 | 1.4 | 5.20 | 200 |
(续下表)
(接上表)
■LGB SERIES LGB-X(S)0608 TYPE CHARACTTERISTICS
PART NUMBER | L(uH) | TOL | Qmin | Fr( MHz) | SRF(MHz) | Rdc(Ω) | Idc(mA) |
LGB-S/X0608-152K | 1500 | ±10% | 75 | 0.796 | 1.3 | 6.54 | 150 |
LGB-S/X0608-182K | 1800 | 75 | 1.2 | 7.54 | 140 | ||
LGB-S/X0608-222K | 2200 | 75 | 1.1 | 8.32 | 130 | ||
LGB-S/X0608-272K | 2700 | 75 | 1.0 | 9.62 | 120 | ||
LGB-S/X0608-332K | 3300 | 75 | 0.85 | 10.92 | 110 | ||
LGB-S/X0608-392K | 3900 | 75 | 0.78 | 16.12 | 90 | ||
LGB-S/X0608-472K | 4700 | 75 | 0.68 | 17.81 | 80 | ||
LGB-S/X0608-562K | 5600 | 75 | 0.62 | 20.0 | 70 | ||
LGB-S/X0608-682K | 6800 | 75 | 0.61 | 27.3 | 65 | ||
LGB-S/X0608-822K | 8200 | 75 | 0.60 | 31.2 | 50 | ||
LGB-S/X0608-103K | 10000 | 70 | 0.0796 | 0.48 | 39.0 | 45 | |
LGB-S/X0608-123K | 12000 | 70 | 0.44 | 42.9 | 40 | ||
LGB-S/X0608-153K | 15000 | 70 | 0.35 | 65.0 | 35 | ||
LGB-S/X0608-183K | 18000 | 70 | 0.30 | 72.8 | 30 | ||
LGB-S/X0608-223K | 22000 | 70 | 0.28 | 82.55 | 30 | ||
LGB-S/X0608-273K | 27000 | 70 | 0.25 | 95.42 | 25 | ||
LGB-S/X0608-333K | 33000 | 70 | 0.23 | 135.2 | 25 | ||
LGB-S/X0608-393K | 39000 | 70 | 0.20 | 154.7 | 20 | ||
LGB-S/X0608-473K | 47000 | 70 | 0.16 | 172.9 | 20 |
■LGB SERIES LGB-X(S)1012 TYPE CHARACTTERISTICS
PART NUMBER | L(uH) | TOL | Qmin | Fr( MHz) | SRF(MHz) | Rdc(Ω) | Idc(mA) |
LGB-S/X1012-4R7K | 4.7 | ±10% | 5 | 0.01 | 0.05 | 4700 | |
LGB-S/X1012-150K | 15 | 5 | 0.05 | 3000 | |||
LGB-S/X1012-200K | 20 | 5 | 0.042 | 2500 | |||
LGB-S/X1012-101K | 100 | 5 | 0.18 | 1200 | |||
LGB-S/X1012-151K | 150 | 5 | 0.27 | 1000 | |||
LGB-S/X1012-202K | 2000 | 5 | 4.4 | 300 | |||
LGB-S/X1012-153K | 15000 | 5 | 14.3 | 20 |
■LGB SERIES LGB-X(S)0810 TYPE CHARACTTERISTICS
PART NUMBER | L(uH) | TOL | Qmin | Fr( MHz) | SRF(MHz) | Rdc(Ω) | Idc(mA) |
LGB-S/X0810-1R0M | 1.0 | ±20% | 90 | 7.96 | 100 | 0.02 | 3400 |
LGB-S/X0810-1R2M | 1.2 | 90 | 90 | 0.02 | 3400 | ||
LGB-S/X0810-1R5M | 1.5 | 95 | 80 | 0.02 | 3400 | ||
LGB-S/X0810-1R8M | 1.8 | 95 | 75 | 0.03 | 3300 | ||
LGB-S/X0810-2R2M | 2.2 | 100 | 70 | 0.03 | 3000 | ||
LGB-S/X0810-2R7M | 2.7 | 100 | 60 | 0.04 | 3000 | ||
LGB-S/X0810-3R3M | 3.3 | 100 | 56 | 0.04 | 3000 | ||
LGB-S/X0810-3R9M | 3.9 | 100 | 52 | 0.05 | 2900 | ||
LGB-S/X0810-4R7M | 4.7 | 100 | 30 | 0.05 | 2900 | ||
LGB-S/X0810-5R6M | 5.6 | 100 | 30 | 0.06 | 2600 | ||
LGB-S/X0810-6R8M | 6.8 | 90 | 20 | 0.06 | 2500 | ||
LGB-S/X0810-8R2M | 8.2 | 80 | 17 | 0.06 | 2000 | ||
LGB-S/X0810-100K | 10 | ±10% | 90 | 2.52 | 12 | 0.10 | 1600 |
LGB-S/X0810-120K | 12 | 90 | 11 | 0.10 | 1400 | ||
LGB-S/X0810-150K | 15 | 90 | 10 | 0.10 | 1300 | ||
LGB-S/X0810-180K | 18 | 80 | 9.0 | 0.11 | 1200 | ||
LGB-S/X0810-220K | 22 | 70 | 8.0 | 0.13 | 1100 | ||
LGB-S/X0810-270K | 27 | 70 | 7.0 | 0.14 | 1000 | ||
LGB-S/X0810-330K | 33 | 70 | 7.0 | 0.16 | 900 | ||
LGB-S/X0810-390K | 39 | 70 | 6.0 | 0.16 | 800 | ||
LGB-S/X0810-470K | 47 | 70 | 5.5 | 0.16 | 700 | ||
LGB-S/X0810-560K | 56 | 60 | 5.5 | 0.22 | 700 | ||
LGB-S/X0810-680K | 68 | 60 | 5.0 | 0.23 | 600 | ||
LGB-S/X0810-820K | 82 | 60 | 4.5 | 0.27 | 500 | ||
LGB-S/X0810-101K | 100 | 40 | 0.796 | 4.5 | 0.29 | 400 | |
LGB-S/X0810-121K | 120 | 40 | 4.5 | 0.33 | 400 | ||
LGB-S/X0810-151K | 150 | 40 | 4.5 | 0.46 | 350 | ||
LGB-S/X0810-181K | 180 | 40 | 4.0 | 0.51 | 350 | ||
LGB-S/X0810-221K | 220 | 40 | 3.5 | 0.62 | 300 | ||
LGB-S/X0810-271K | 270 | 30 | 3.0 | 0.65 | 250 | ||
LGB-S/X0810-331K | 330 | 30 | 3.0 | 0.79 | 250 | ||
LGB-S/X0810-391K | 390 | 30 | 2.5 | 0.91 | 200 | ||
LGB-S/X0810-471K | 470 | 30 | 2.5 | 1.2 | 180 | ||
LGB-S/X0810-561K | 560 | 30 | 2.0 | 1.2 | 160 | ||
LGB-S/X0810-681K | 680 | 30 | 2.0 | 1.5 | 140 | ||
LGB-S/X0810-821K | 820 | 25 | 2.0 | 1.7 | 140 | ||
LGB-S/X0810-102K | 1000 | 50 | 0.252 | 2.0 | 2.0 | 120 | |
LGB-S/X0810-122K | 1200 | 45 | 1.5 | 2.3 | 100 | ||
LGB-S/X0810- 152K | 1500 | 45 | 1.5 | 2.9 | 80 | ||
LGB-S/X0810- 182K | 1800 | 45 | 1.5 | 3.5 | 70 | ||
LGB-S/X0810-222K | 2200 | 50 | 1.0 | 4.2 | 60 |
(接上表)
■LGB SERIES LGB-X(S)0810 TYPE CHARACTTERISTICS
| PART NUMBER | L(uH) | TOL | Qmin | Fr( MHz) | SRF(MHz) | Rdc(Ω) | Idc(mA) |
LGB-S/X0810-272K | 2700 | ±10% | 50 | 0.252 | 1.0 | 5.1 | 60 |
LGB-S/X0810-332K | 3300 | 50 | 0.9 | 6.1 | 50 | ||
LGB-S/X0810-392K | 3900 | 50 | 0.8 | 7.8 | 50 | ||
LGB-S/X0810-472K | 4700 | 55 | 0.7 | 11 | 45 | ||
LGB-S/X0810-562K | 5600 | 55 | 0.6 | 11 | 45 | ||
LGB-S/X0810-682K | 6800 | 55 | 0.6 | 14 | 40 | ||
LGB-S/X0810-822K | 8200 | 60 | 0.6 | 15 | 35 | ||
LGB-S/X0810-103K | 10000 | 100 | 0.0796 | 0.5 | 20 | 35 | |
LGB-S/X0810-123K | 12000 | 100 | 0.4 | 24 | 35 | ||
LGB-S/X0810-153K | 15000 | 100 | 0.4 | 28 | 30 | ||
LGB-S/X0810-183K | 18000 | 100 | 0.4 | 42 | 30 | ||
LGB-S/X0810-223K | 22000 | 100 | 0.3 | 43 | 25 | ||
LGB-S/X0810-273K | 27000 | 100 | 0.3 | 55 | 25 | ||
LGB-S/X0810-333K | 33000 | 90 | 0.3 | 65 | 25 | ||
LGB-S/X0810-393K | 39000 | 90 | 0.2 | 87 | 20 | ||
LGB-S/X0810-473K | 47000 | 85 | 0.2 | 98 | 20 | ||
LGB-S/X0810-563K | 56000 | 80 | 0.2 | 128 | 20 | ||
LGB-S/X0810-683K | 68000 | 70 | 0.2 | 141 | 20 | ||
LGB-S/X0810-823K | 82000 | 70 | 0.2 | 161 | 20 | ||
LGB-S/X0810-104K | 100000 | 55 | 0.2 | 180 | 20 |
■LGB SERIES LGB-X(S)1415 TYPE CHARACTTERISTICS
PART NUMBER | L(uH) | TOL | Qmin | Fr( MHz) | SRF(MHz) | Rdc(Ω) | Idc(mA) |
LGB-S/X1415-141K | 135 | ±10% | 5 | 0.01 | 0.2 | 2500 | |
LGB-S/X1415-101K | 100 | 5 | 0.1 | 3000 | |||
LGB-S/X1415-301K | 300 | 5 | 0.35 | 1500 | |||
LGB-S/X1415-371K | 370 | 5 | 0.35 | 1200 | |||
LGB-S/X1415-451K | 450 | 5 | 0.35 | 1000 | |||
LGB-S/X1415-551K | 550 | 5 | 0.35 | 1000 | |||
LGB-S/X1415-561K | 560 | 5 | 0.49 | 1000 | |||
LGB-S/X1415-801K | 800 | 5 | 0.5 | 700 | |||
LGB-S/X1415-302K | 3000 | 5 | 2.65 | 300 | |||
LGB-S/X1415-402K | 4000 | 5 | 3.0 | 200 |
■LGB SERIES LGB-X(S)0912 TYPE CHARACTTERISTICS
PART NUMBER | L(uH) | TOL | Qmin | Fr( MHz) | SRF(MHz) | Rdc(Ω) | Idc(mA) |
LGB-S/X0912-100K | 10 | ±10% | 110 | 2.52 | 24 | 0.04 | 2800 |
LGB-S/X0912-120K | 12 | 110 | 18 | 0.04 | 2700 | ||
LGB-S/X0912-150K | 15 | 110 | 11 | 0.05 | 2300 | ||
LGB-S/X0912-180K | 18 | 90 | 8.4 | 0.06 | 2100 | ||
LGB-S/X0912-220K | 22 | 90 | 8.2 | 0.07 | 2000 | ||
LGB-S/X0912-270K | 27 | 90 | 7.1 | 0.10 | 1700 | ||
LGB-S/X0912-270K | 33 | 90 | 7.1 | 0.12 | 1500 | ||
LGB-S/X0912-390K | 39 | 80 | 6.9 | 0.12 | 1400 | ||
LGB-S/X0912-470K | 47 | 70 | 6.0 | 0.13 | 1300 | ||
LGB-S/X0912-560K | 56 | 70 | 5.7 | 0.14 | 1200 | ||
LGB-S/X0912-680K | 68 | 60 | 5.4 | 0.15 | 1000 | ||
LGB-S/X0912-820K | 82 | 50 | 4.6 | 0.16 | 900 | ||
LGB-S/X0912-101K | 100 | 60 | 0.796 | 4.0 | 0.25 | 700 | |
LGB-S/X0912-121K | 120 | 60 | 3.6 | 0.28 | 700 | ||
LGB-S/X0912-151K | 150 | 55 | 3.1 | 0.32 | 700 | ||
LGB-S/X0912-181K | 180 | 55 | 2.8 | 0.47 | 600 | ||
LGB-S/X0912-221K | 220 | 55 | 2.5 | 0.53 | 500 | ||
LGB-S/X0912-271K | 270 | 50 | 2.4 | 0.60 | 450 | ||
LGB-S/X0912-331K | 330 | 50 | 2.0 | 0.85 | 400 | ||
LGB-S/X0912-391K | 390 | 50 | 2.0 | 0.95 | 350 | ||
LGB-S/X0912-471K | 470 | 40 | 1.9 | 1.1 | 350 | ||
LGB-S/X0912-561K | 560 | 30 | 1.8 | 1.2 | 300 | ||
LGB-S/X0912-681K | 68 | 30 | 1.7 | 1.3 | 250 | ||
LGB-S/X0912-821K | 820 | 30 | 1.5 | 1.4 | 200 | ||
LGB-S/X0912-102K | 1000 | 70 | 0.252 | 1.1 | 2.0 | 200 | |
LGB-S/X0912-122K | 1200 | 70 | 1.0 | 2.3 | 180 | ||
LGB-S/X0912-152K | 1500 | 70 | 1.0 | 2.9 | 150 | ||
LGB-S/X0912-182K | 1800 | 70 | 0.9 | 3.3 | 120 | ||
LGB-S/X0912-222K | 2200 | 70 | 0.7 | 4.5 | 110 | ||
LGB-S/X0912-272K | 2700 | 70 | 0.7 | 5.5 | 80 | ||
LGB-S/X0912-332K | 3300 | 60 | 0.6 | 5.7 | 80 | ||
LGB-S/X0912-392K | 3900 | 60 | 0.6 | 6.5 | 60 | ||
LGB-S/X0912-472K | 4700 | 60 | 0.6 | 7.2 | 180 | ||
LGB-S/X0912-562K | 5600 | 60 | 0.5 | 9.5 | 50 | ||
LGB-S/X0912-682K | 6800 | 60 | 0.5 | 11 | 50 | ||
LGB-S/X0912-822K | 8200 | 50 | 0.4 | 13 | 50 | ||
LGB-S/X0912-103K | 10000 | 100 | 0.0796 | 0.3 | 16 | 40 | |
LGB-S/X0912-123K | 12000 | 100 | 0.3 | 18 | 40 | ||
LGB-S/X0912-153K | 15000 | 90 | 0.3 | 21 | 40 | ||
LGB-S/X0912-183K | 18000 | 90 | 0.3 | 23 | 40 |
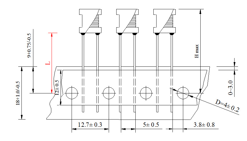
■Standard Taping diagram /带装图示例

※带装时,仅LGB-X0608;0810;0912适用。/ Standard taping, only LGB-X0608; 0810; 0912 apply.
■Notes /注意事项
1, Idc current value obtained when current flows and the temperature has risen to 25℃ or when DC current flows and the initial value of inductance has fallen by 10%,whichever is smaller.
2, When the series of Inductor used in electronic ballasts, L value of the test frequency generally 1KHz or 10KHz to prevail.
3, Test meter: L&Q HP4284A; Srf HM2770 ; For special specifications please contact with us.
4, The series of Inductor, We offer a cut PIN and molding process.